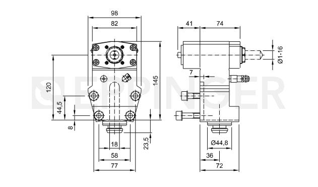
Boring bar holder, angular, left hand collet chuck, ER25A, PRECI-FLEX®, external and central coolant supply

Número de pieza 7.072.151
para Okuma LT200 (ESA-Rev.)
AccesoriosCollets see Equipment for Toolholders Z2.1 PRECI-FLEX® Adapter Spindle cover see P99.1 Boring bar holder D=19.05 7.072.206 Boring bar holder D=25,4 7.072.207
Zusätzliche CAD-Dateien finden Sie hier:
Vista en 2D
Vista en 3D
Vista en 2D
QR-Code

Subir a Smart Phone
 
Copyright 2026 ESA Eppinger | Inicio | Quiénes somos | Pida el catálogo aquí