
Shopping List is Empty
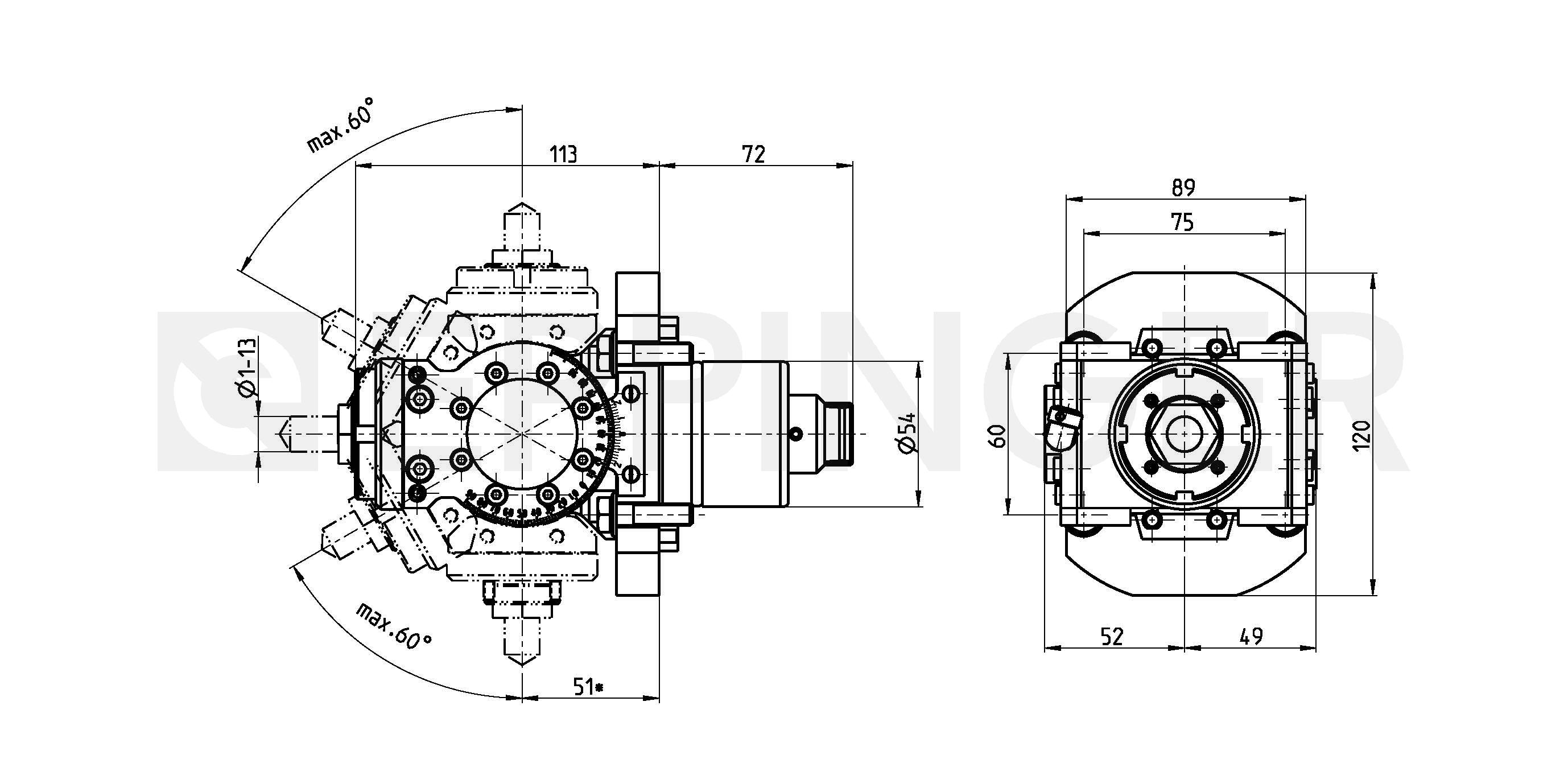
| Part Number | 7.076.574 |
| for | Miyano ABX-51/64 SYY/THY |
| Ratio | 1:1 |
| rpm at Input | max. 6000 rpm |
| rpm at Output | max. 6000 rpm |
| Torque at Output | max. 13 Nm |
| Direction of Rotation | |
| Scope of Delivery | without wrench and collets |
| Accessories | Collets see Equipment for Toolholders Z2.1 Sealing washers see Equipment for Toolholders Z4.1 Wrench for spindle 10006 PRECI-FLEX® Adapter Spindle cover see P99.1 Spindle sealing see P99.1 Coolant tubes 0.001.053 |