通过零件号查询
查询刀座帮助
快速查询
制造商
全部
ACCUWAY
AMADA
AVM - Angelini
Baruffaldi
Benzinger
Biglia
BMT
Boehringer
Boley
Bumotec
Chiah Chyun
Cincinnati
Citizen
CMZ
Colchester
Daewoo
Dainichi
Danobat
DMC
DMG MORI
DN Solutions
Doosan MECATEC
Duplomatic
EGURO
EMAG
EMCO
Ergomat
FAMAR
FUJI
Ganesh
Georg Fischer
Goodway
Graziano
Haas
Habegger
Hankook
Hanwha
Hardinge
Heyligenstaedt
Hitachi Seiki
HURCO
Hwacheon
Hyundai WIA
IKEGAI
Index
JOHNFORD
Jyoti
KOVOSVIT MAS
LARU
LEADWELL
Manurhin
Matra
Maxsin
Mazak
Miyano
Monarch
Monforts
Mori Seiki
MT EVO (MTRent)
MÜGA
Murata-Muratec
Nakamura-Tome
NILES
Okuma
PROMAX
ROMI
Saeilo
Sauter
Schaublin
SMART
SMEC
Spinner
STYLE
Takamaz
Takisawa
Tongtai
Tornos
Traub
TRENS
TSUGAMI
Victor
Weiler
WFL
XXX
YCM
样品
全部
Werkzeughalter
全部
动力刀座
固定刀座
4177
产品汇总
详细资料查询
联系我们
Eppinger USA
9930 E. 56th St.
Indianapolis, IN 46236
352.588.4345 - Phone
352.588.4821 - Fax
RFQ@eppinger.com
www.eppinger.com
采购车清单
采购车为空
详细视图
添加至采购订单
PDF格式数据单表
请求
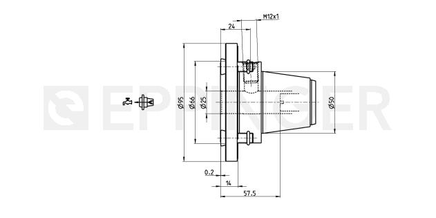
PRECI-FLEX® Adapter 50, Whistle Notch short Standard DIN1835-E25
产品编号
5005-0256
交货期
Fixing Screws 0.000.789 O-Ring 12382
附件
Screw Driver 0.001.080
Zusätzliche CAD-Dateien finden Sie hier:
2D 视图
3D 视图
2D 视图
3D 视图 / 快速查询代码
上传到智能手机
添加至采购订单
PDF格式数据单表
Copyright 2026 ESA Eppinger |
首页
|
我们是:
|
在这里订购目录