
Lista de la compra está vacía
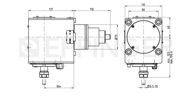
| Número de pieza | 7.076.395 |
| para | 22 Máquinas |
| Traducción | 1:1 |
| rev. p. min. en entrada | maximo 3000 1/min |
| rev. p. min. en salida | maximo 3000 1/min |
| Torsión en salida | maximo 100 numero |
| Dirección de rotación | |
| Volumen de suministro | without wrench and collets * Actual size inscribed on the tool |
| Accesorios | Collets see Equipment for Toolholders Z2. Wrench for spindle 0.002.277 |