PRECI-FLEX® Adapter 32, Whistle Notch short Standard DIN1835-E3/4"

Número de pieza 3205-0134
Volumen de suministroFixing Screws 0.000.510 O-Ring 11086
AccesoriosScrew Driver 0.001.076
Zusätzliche CAD-Dateien finden Sie hier:
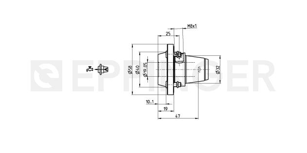
Vista en 2D
Vista en 3D
Vista en 2D
Vista en 3D / QR-Code

Subir a Smart Phone
 
Copyright 2025 ESA Eppinger | Inicio | Quiénes somos | Pida el catálogo aquí