Buscar por número de pieza
Buscar Ayuda Para Porta herramientas
Búsqueda rápida
Fabricante
Todos
ACCUWAY
AMADA
AVM - Angelini
Baruffaldi
Benzinger
Biglia
BMT
Boehringer
Boley
Bumotec
Chiah Chyun
Cincinnati
Citizen
CMZ
Colchester
Daewoo
Dainichi
Danobat
DMC
DMG MORI
DN Solutions
Doosan MECATEC
Duplomatic
EGURO
EMAG
EMCO
Ergomat
FAMAR
FUJI
Ganesh
Georg Fischer
Goodway
Graziano
Haas
Habegger
Hankook
Hanwha
Hardinge
Heyligenstaedt
Hitachi Seiki
HURCO
Hwacheon
Hyundai WIA
IKEGAI
Index
JOHNFORD
Jyoti
KOVOSVIT MAS
LARU
LEADWELL
Manurhin
Matra
Maxsin
Mazak
Miyano
Monarch
Monforts
Mori Seiki
MT EVO (MTRent)
MÜGA
Murata-Muratec
Nakamura-Tome
NILES
Okuma
PROMAX
ROMI
Saeilo
Sauter
Schaublin
SMART
SMEC
Spinner
STYLE
Takamaz
Takisawa
Tongtai
Tornos
Traub
TRENS
TSUGAMI
Victor
Weiler
WFL
XXX
YCM
Modelo
Todos
Werkzeughalter
Todos
porta herramientas fijo
porta herramientas vivo
4177
Productos
Búsqueda detallada
Contactenos
Eppinger USA
9930 E. 56th St.
Indianapolis, IN 46236
352.588.4345 - Phone
352.588.4821 - Fax
RFQ@eppinger.com
www.eppinger.com
Lista de compras
Lista de la compra está vacía
Vista detallada
Agregar a la lista de la compra
Hoja de Datos en formato pdf
Solicitar
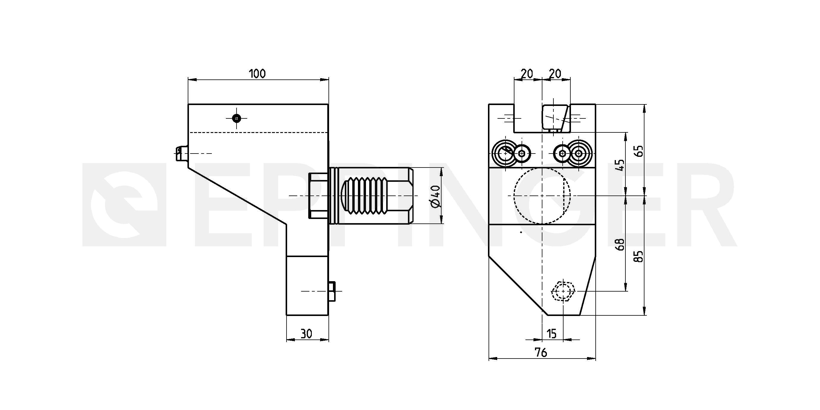
Tool holder, straight, left hand offset rectangular transverse, external and central coolant supply
Número de pieza
7.171.682
para
2 Máquinas
Volumen de suministro
supplied with nozzle unit 7.070.051
Zusätzliche CAD-Dateien finden Sie hier:
Vista en 2D
Vista en 3D
Vista en 2D
Vista en 3D / QR-Code
Subir a Smart Phone
Agregar a la lista de la compra
Hoja de Datos en formato pdf
Copyright 2026 ESA Eppinger |
Inicio
|
Quiénes somos
|
Pida el catálogo aquí