Sök med artikelnummer
Sök i hjälp efter verktygshållare
Snabbsök
Tillverkare
Alla
ACCUWAY
AMADA
AVM - Angelini
Baruffaldi
Benzinger
Biglia
BMT
Boehringer
Boley
Bumotec
Chiah Chyun
Cincinnati
Citizen
CMZ
Colchester
Daewoo
Dainichi
Danobat
DMC
DMG MORI
DN Solutions
Doosan MECATEC
Duplomatic
EGURO
EMAG
EMCO
Ergomat
FAMAR
FUJI
Ganesh
Georg Fischer
Goodway
Graziano
Haas
Habegger
Hankook
Hanwha
Hardinge
Heyligenstaedt
Hitachi Seiki
HURCO
Hwacheon
Hyundai WIA
IKEGAI
Index
JOHNFORD
Jyoti
KOVOSVIT MAS
LARU
LEADWELL
Manurhin
Matra
Maxsin
Mazak
Miyano
Monarch
Monforts
Mori Seiki
MT EVO (MTRent)
MÜGA
Murata-Muratec
Nakamura-Tome
NILES
Okuma
PROMAX
ROMI
Saeilo
Sauter
Schaublin
SMART
SMEC
Spinner
STYLE
Takamaz
Takisawa
Tongtai
Tornos
Traub
TRENS
TSUGAMI
Victor
Weiler
WFL
XXX
YCM
modell
Alla
Werkzeughalter
Alla
Fasta verktygshållare
Roterande verktygshållare
4166
Produkter
Detaljerad sökning
Kontakt
Eppinger USA
9930 E. 56th St.
Indianapolis, IN 46236
352.588.4345 - Phone
352.588.4821 - Fax
RFQ@eppinger.com
www.eppinger.com
Varukorg
4014-0372 PRECI-FLEX® Adapte...
Se varukorg
Detalierad vy
Lägg till i varukorgern
Datablad i pdf format
Förfrågan
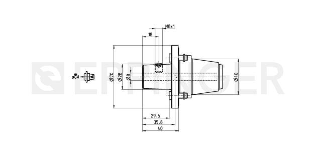
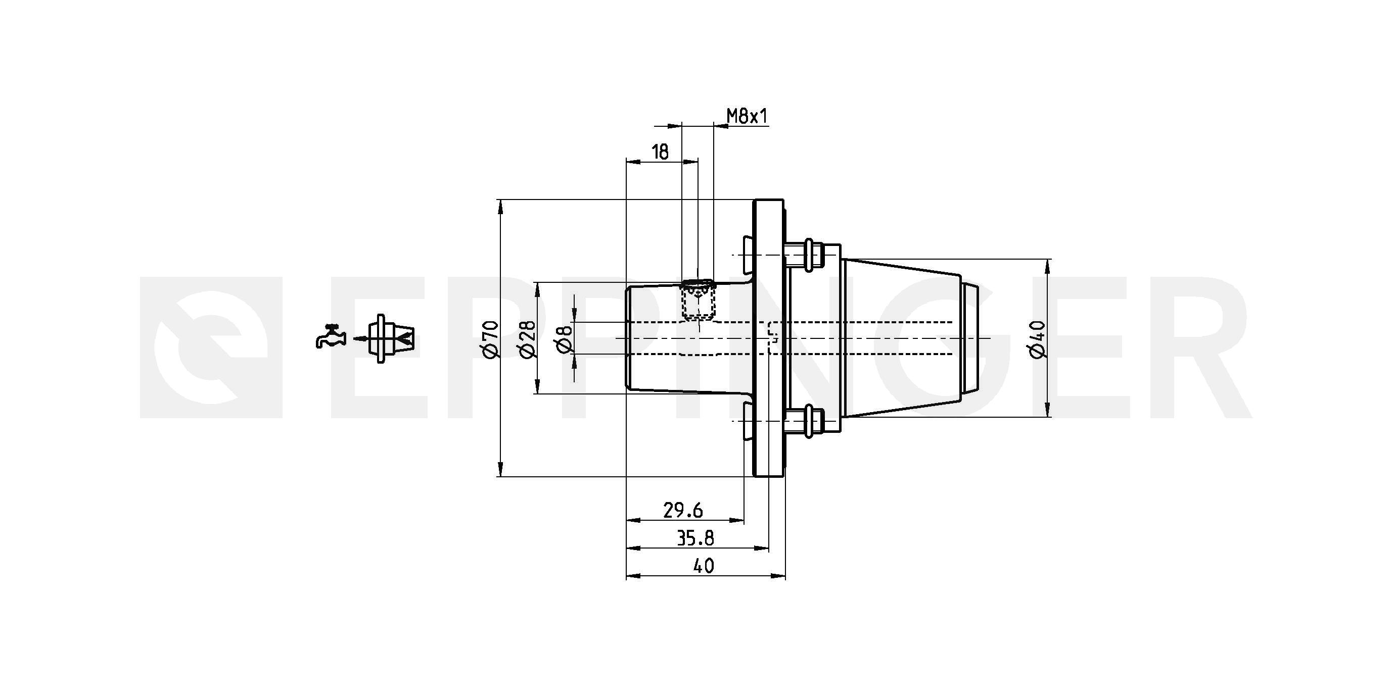
PRECI-FLEX® Adapter 40, Weldon extended DIN1835-B8
Artikelnummer
4004-0198
Leveransen
Fixing Screws 0.000.771 O-Ring 11087
Tillbehör
Screw Driver 0.001.078
Zusätzliche CAD-Dateien finden Sie hier:
2D vy
3D vy
2D vy
3D vy / QR-kod
Ladda upp till Smart phone
Lägg till i varukorgern
Datablad i pdf format
Copyright 2025 ESA Eppinger |
Hem
|
Om oss
|
Beställ katalogen här