Ricerca diretta con numero di articolo
Assistente di ricerca per portautensili
Ricerca veloce
Produttore
Tutti
ACCUWAY
AMADA
AVM - Angelini
Baruffaldi
Benzinger
Biglia
BMT
Boehringer
Boley
Bumotec
Chiah Chyun
Cincinnati
Citizen
CMZ
Colchester
Daewoo
Dainichi
Danobat
DMC
DMG MORI
DN Solutions
Doosan MECATEC
Duplomatic
EGURO
EMAG
EMCO
Ergomat
FAMAR
FUJI
Ganesh
Georg Fischer
Goodway
Graziano
Haas
Habegger
Hankook
Hanwha
Hardinge
Heyligenstaedt
Hitachi Seiki
HURCO
Hwacheon
Hyundai WIA
IKEGAI
Index
JOHNFORD
Jyoti
KOVOSVIT MAS
LARU
LEADWELL
Manurhin
Matra
Maxsin
Mazak
Miyano
Monarch
Monforts
Mori Seiki
MT EVO (MTRent)
MÜGA
Murata-Muratec
Nakamura-Tome
NILES
Okuma
PROMAX
ROMI
Saeilo
Sauter
Schaublin
SMART
SMEC
Spinner
STYLE
Takamaz
Takisawa
Tongtai
Tornos
Traub
TRENS
TSUGAMI
Victor
Weiler
WFL
XXX
YCM
Tipo
Tutti
Werkzeughalter
Tutti
portautensili motorizzati
utensili fissi
4166
Prodotti
Ricerca dettagliata
Contattaci
Eppinger USA
9930 E. 56th St.
Indianapolis, IN 46236
352.588.4345 - Phone
352.588.4821 - Fax
RFQ@eppinger.com
www.eppinger.com
Carrello
Carrello vuoto
Vista dettaglio
Aggiungi in carrello
Scheda tecnica in formato pdf
Richiesta
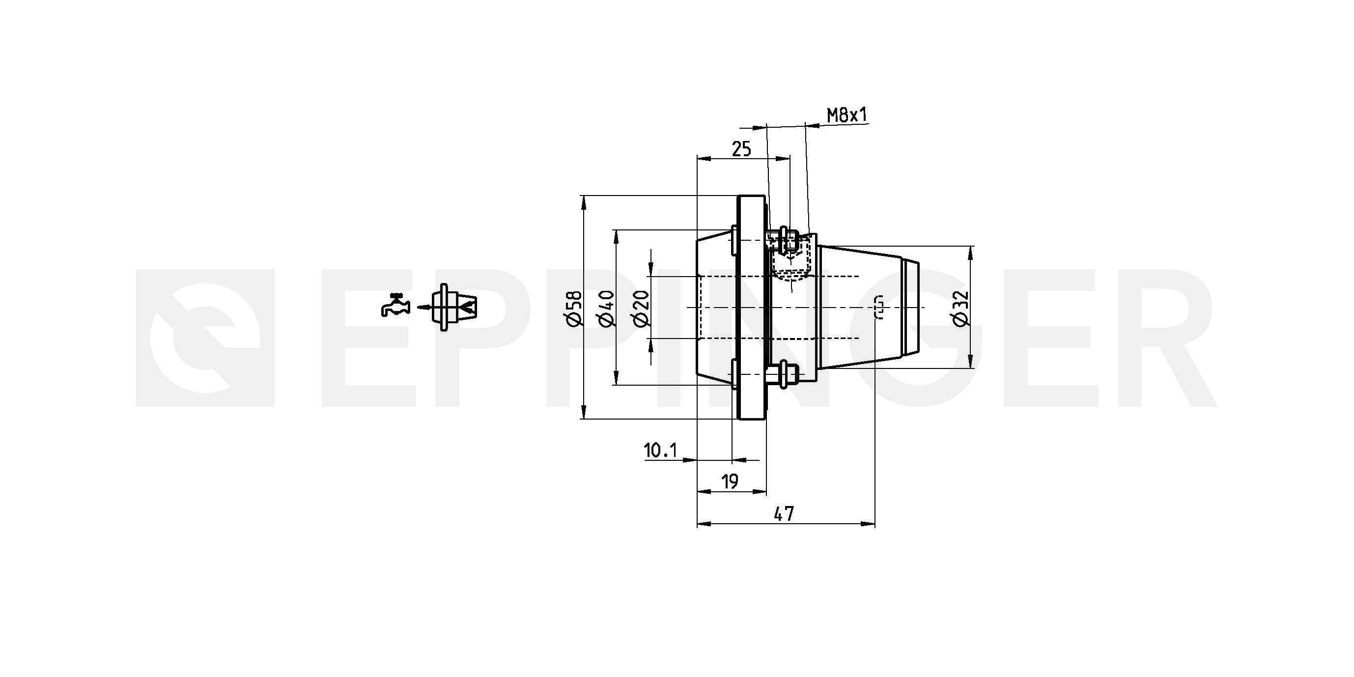
PRECI-FLEX® Adapter 32, Whistle Notch short Standard DIN1835-E20
N. d'ordinazione
3205-0049
Volume di consegna
Fixing Screws 0.000.510 O-Ring 11086
Accessori
Screw Driver 0.001.076
Zusätzliche CAD-Dateien finden Sie hier:
Vista 2D
Vista 3D
Vista 2D
Vista 3D / Codice QR
Assumere prodotto nello smartphone
Aggiungi in carrello
Scheda tecnica in formato pdf
Copyright 2025 ESA Eppinger |
Casa
|
Informazione legale
|
Ordina il catalogo qui