Search by Part Number
Search Help For Tool Holder
Quick Search
Manufacturer
All
ACCUWAY
AMADA
AVM - Angelini
Baruffaldi
Benzinger
Biglia
BMT
Boehringer
Boley
Bumotec
Chiah Chyun
Cincinnati
Citizen
CMZ
Colchester
Daewoo
Dainichi
Danobat
DMC
DMG MORI
DN Solutions
Doosan MECATEC
Duplomatic
EGURO
EMAG
EMCO
Ergomat
FAMAR
FUJI
Ganesh
Georg Fischer
Goodway
Graziano
Haas
Habegger
Hankook
Hanwha
Hardinge
Heyligenstaedt
Hitachi Seiki
HURCO
Hwacheon
Hyundai WIA
IKEGAI
Index
JOHNFORD
Jyoti
KOVOSVIT MAS
LARU
LEADWELL
Manurhin
Matra
Maxsin
Mazak
Miyano
Monarch
Monforts
Mori Seiki
MT EVO (MTRent)
MÜGA
Murata-Muratec
Nakamura-Tome
NILES
Okuma
PROMAX
ROMI
Saeilo
Sauter
Schaublin
SMART
SMEC
Spinner
STYLE
Takamaz
Takisawa
Tongtai
Tornos
Traub
TRENS
TSUGAMI
Victor
Weiler
WFL
XXX
YCM
Model
All
Werkzeughalter
All
fixed tool holder
rotary tool holder
4179
Products
Detailed Search
Contact
Eppinger USA
9930 E. 56th St.
Indianapolis, IN 46236
352.588.4345 - Phone
352.588.4821 - Fax
RFQ@eppinger.com
www.eppinger.com
Shopping List
Shopping List is Empty
Detailed View
Add to Shopping List
Data Sheet in pdf Format
Request
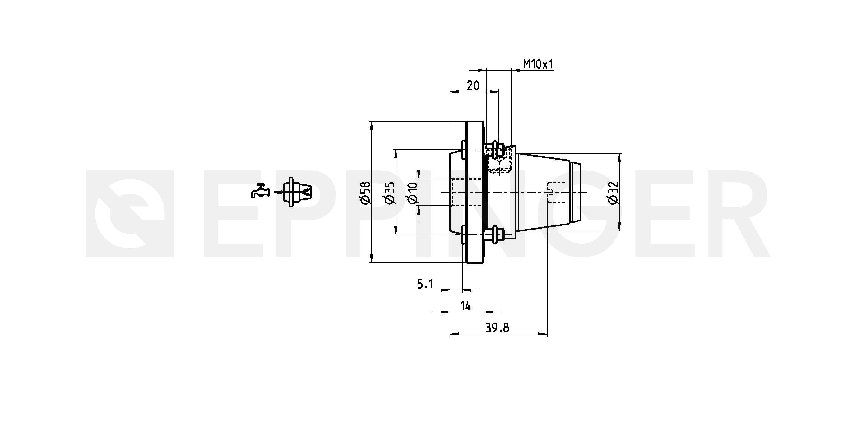
PRECI-FLEX® Adapter 32, Weldon short Standard DIN1835-B10 with coolant channel
Part Number
3203-0338
Scope of Delivery
Fixing Screws 0.000.510 O-Ring 11086
Accessories
Screw Driver 0.001.076
Additional CAD Files:
2D-View
3D-View
2D-View
3D-View / QR-Code
Upload to Smart Phone
Add to Shopping List
Data Sheet in pdf Format
Copyright 2026 ESA Eppinger |
Home
|
Who we are
|
Order catalogue here